Проблема с блоком управления центрального замка
-
volp
- Новичок

- Сообщений: 34
- Зарегистрирован: 27 июн 2010, 09:14
- Темы: 6
- Авто: A6 C4 avant 2,5TDi AEL
- Имя: volp
- Статус: Не в сети
Проблема с блоком управления центрального замка
Стал я замечать в последнее время, что аккумулятор быстро разряжается. Поиск привел к тому, что БУ ЦЗ потребляет 0,2 А при неработающем насосе. Дальнейший эксперимент показал , что если подключить БУ ЦЗ без 12 пинового разъема , то ток утечки ( я измерял на аккумуляторе) падает до обычного -20мА . При подключении этого разъема - опять 200 мА . Теперь отключаю разъем , ток НЕ падает - как будто залипло реле . Опять полностью обесточиваю , включаю без разъема - опять ток упал . Внутренний осмотр блока мне ничего не дал . Хочу собрать имитационную схему дома , в связи с чем и прошу совета . В прилагаемых файлах две схемы - одна из общих альбомов по А6С4 , вторая из Avtodata . Ни там ни там я не вижу совпадения с моим блоком. На моем (4A0862257C PPGB40) два разъема - 2 пиновый и 12 пиновый .Запитаны они через предохранитель А3 , стоящий под капотом. На прилагаемых схемых ни предохранители ни разъемы не совпадают. Используемые мной схемы (схема с Адаты в пдф) и фото блока прилагаю.
- Вложения
-
1.pdf- (222.68 KiB) Загружено 299 раз
- Юра 80
- Аудивод

- Сообщений: 20894
- Зарегистрирован: 12 июн 2009, 19:41
- Темы: 423
- Имя:
- Статус: Не в сети
Проблема с блоком управления центрального замка
А при выдергивании предохранителя падает потребление?
Потребление измеряли сразу или через время какое-то?
Потребление измеряли сразу или через время какое-то?
-
volp
- Новичок

- Сообщений: 34
- Зарегистрирован: 27 июн 2010, 09:14
- Темы: 6
- Авто: A6 C4 avant 2,5TDi AEL
- Имя: volp
- Статус: Не в сети
Проблема с блоком управления центрального замка
Падает и при выдергивании предохранителя и при выдергивании силового 2 пинового разъема . Падает сразу. Пока продул насос - внутри было полно угольной пыли от щеток, пропаял 2 пиновый разъем , пойду поставлю, посмотрю что изменится. Определиться бы откуда косяк идет - или при старте (подключении аккума) какой- то микрик/датчик некорректно работает или после опроса датчиков в БУ не отпускается какое-то реле. В черной фишке где плюс - толстый ?
-
volp
- Новичок

- Сообщений: 34
- Зарегистрирован: 27 июн 2010, 09:14
- Темы: 6
- Авто: A6 C4 avant 2,5TDi AEL
- Имя: volp
- Статус: Не в сети
Проблема с блоком управления центрального замка
Если кому интересно , разобрался я в этой проблеме. Оказывается я все замеры производил при одной из открытых дверей. Как только двери все закрыты , через 5-10 секунд потребление ЦЗ падает до 0. Получается , что в микросхеме HELLA 012RJ ( не нашел на нее даташита) работает какая-то логика, контролирующая контуры дверей, и при их открытом состоянии выдает напряжение ( вероятно для сигналки) которое и сказывается на общем потреблении.
-
Женя 1987
- Новичок

- Сообщений: 12
- Зарегистрирован: 20 янв 2019, 17:38
- Темы: 0
- Авто: C4 100 2.6 abc
- Имя: Женя
- Статус: Не в сети
Проблема с блоком управления центрального замка
Здравствуйте.у меня такая проблема.перестал открыть цз, компрессор гудит,а двери не открываются.помогите разобраться в данной проблеме
Отправлено спустя 1 минуту 21 секунды:
А сейчас закрылись все двери и не срабатывает цз.ключом не открывает.что делать?
Отправлено спустя 1 минуту 21 секунды:
А сейчас закрылись все двери и не срабатывает цз.ключом не открывает.что делать?
- DIA
- Аццкий поломастер

- Сообщений: 9329
- Зарегистрирован: 27 июн 2009, 13:35
- Темы: 13
- Авто: Кузнечик корчваген. 1.9 TDI ALH.
- Имя: Игорь.
- Откуда: Минск.
- Статус: Не в сети
Проблема с блоком управления центрального замка
Женя 1987 писал(а):Источник цитаты что делать?
А что личинки не работают ключом открыть и проникнуть в авто не получается

Хозяин гатово! что сделали? нет сломали.
-
Женя 1987
- Новичок

- Сообщений: 12
- Зарегистрирован: 20 янв 2019, 17:38
- Темы: 0
- Авто: C4 100 2.6 abc
- Имя: Женя
- Статус: Не в сети
Проблема с блоком управления центрального замка
Лечинки не работают
Отправлено спустя 13 секунды:
Лечинки не работают
Отправлено спустя 14 секунды:
Но уже вскрыл
Отправлено спустя 1 минуту 56 секунды:
Завтра поеду на что пусть смотрят хотел поставить место вакуумных замков , поставить электро,но одноворили ,посоветовали найти проблему с вакуумными замками,а потом уже думать
Отправлено спустя 17 секунды:
Ваше мнение по этому поводу
Отправлено спустя 13 секунды:
Лечинки не работают
Отправлено спустя 14 секунды:
Но уже вскрыл
Отправлено спустя 1 минуту 56 секунды:
Завтра поеду на что пусть смотрят хотел поставить место вакуумных замков , поставить электро,но одноворили ,посоветовали найти проблему с вакуумными замками,а потом уже думать
Отправлено спустя 17 секунды:
Ваше мнение по этому поводу
- DIA
- Аццкий поломастер

- Сообщений: 9329
- Зарегистрирован: 27 июн 2009, 13:35
- Темы: 13
- Авто: Кузнечик корчваген. 1.9 TDI ALH.
- Имя: Игорь.
- Откуда: Минск.
- Статус: Не в сети
Проблема с блоком управления центрального замка
Женя 1987 писал(а):Источник цитаты Ваше мнение по этому поводу
Это вы у кого спрашиваете. свое уже написал и выложил на блюдечке осталось занести в рот и проглотить.
DIA писал(а):Источник цитаты личинки не работают ключом открыть и проникнуть в авто не получается
Женя 1987 писал(а):Источник цитаты Завтра поеду на что пусть смотрят хотел поставить место вакуумных замков , поставить электро,но одноворили ,посоветовали найти проблему с вакуумными замками,а потом уже думать
Муйня полная все это на основании выше написанного. это радиоуправление ЦЗ итд итп могут отказать.в любую секунду . представляешь так в минус двадцать и километров так за 200 в ипенях возле гадюкино бегать вокруг авто часов так с пять. Сразу наметь какое стекло дешевле обойдется еще кирпич умудрится найти надо. это все написанное не юмор а правда и было лечил одного фантика в курточке под@бке в галстуке и туфельках на тонкой подошве тоже личинки не работали. но после этого через день у него они всё заработали. Фантастика.
Хозяин гатово! что сделали? нет сломали.
- Паша
- Аудивод

- Сообщений: 19175
- Зарегистрирован: 12 июн 2009, 17:59
- Темы: 221
- Авто: Yamaha Tenere 700 (2022)
- Имя: Павлентий
- Откуда: Минск
- Статус: Не в сети
Проблема с блоком управления центрального замка
Audi A6 Avant C6 2.0TDi (BRF) 6МКПП 2006 205.000-423.000 км
Audi A6 Avant C7 2.0TDi (CGLC) 6МКПП 2014 114.000-200.000 км
-
Женя 1987
- Новичок

- Сообщений: 12
- Зарегистрирован: 20 янв 2019, 17:38
- Темы: 0
- Авто: C4 100 2.6 abc
- Имя: Женя
- Статус: Не в сети
Проблема с блоком управления центрального замка
Спасибо.зв совет.открыли.по итогу в задней двери порвался вакуумный привод.а в водительской двери с ручки упала тяга и парада в михонизм и заклинило в последствии не открывается не одна дверь.все сделали ,х.работвет исправно.
- DIA
- Аццкий поломастер

- Сообщений: 9329
- Зарегистрирован: 27 июн 2009, 13:35
- Темы: 13
- Авто: Кузнечик корчваген. 1.9 TDI ALH.
- Имя: Игорь.
- Откуда: Минск.
- Статус: Не в сети
Проблема с блоком управления центрального замка
Женя 1987 писал(а):Источник цитаты .все сделали ,х.работвет исправно.
Да ни хрена считаю вы не сделали а подлечили.
Хозяин гатово! что сделали? нет сломали.
-
Женя 1987
- Новичок

- Сообщений: 12
- Зарегистрирован: 20 янв 2019, 17:38
- Темы: 0
- Авто: C4 100 2.6 abc
- Имя: Женя
- Статус: Не в сети
Проблема с блоком управления центрального замка
Всмысле подчинили? проблема найдена и устроена
Отправлено спустя 53 секунды:
Личинку тока надо поставить,дабы не прибегать вашим советом с камнем))))
Отправлено спустя 53 секунды:
Личинку тока надо поставить,дабы не прибегать вашим советом с камнем))))
- DIA
- Аццкий поломастер

- Сообщений: 9329
- Зарегистрирован: 27 июн 2009, 13:35
- Темы: 13
- Авто: Кузнечик корчваген. 1.9 TDI ALH.
- Имя: Игорь.
- Откуда: Минск.
- Статус: Не в сети
Проблема с блоком управления центрального замка
Женя 1987,
Без шуток, ЦЗ блок комфорта всегда с брелка может отказать и если не работают личинки в авто попасть проблема, пару недель назад детей на пасцат B5 провернулся ключ хорошо что в открытом состоянии осталось авто, по быстрому нашел рем компл личинки стоимостью в 46 рублей пару деталек в нем нужных и еще отремонтировал привязал штатное радиоуправление что значит жареный клюнул, сейчас нашел личинку с двумя!!! ключами за 39 руб а это уже можно кое что сообразить если с напильником дружить, теперь у них будет с двух сторон ключом открываться и останется рем комл возможно со снятой, просто я к тому узнать есть ли такое на С4 и все упрощается.
Без шуток, ЦЗ блок комфорта всегда с брелка может отказать и если не работают личинки в авто попасть проблема, пару недель назад детей на пасцат B5 провернулся ключ хорошо что в открытом состоянии осталось авто, по быстрому нашел рем компл личинки стоимостью в 46 рублей пару деталек в нем нужных и еще отремонтировал привязал штатное радиоуправление что значит жареный клюнул, сейчас нашел личинку с двумя!!! ключами за 39 руб а это уже можно кое что сообразить если с напильником дружить, теперь у них будет с двух сторон ключом открываться и останется рем комл возможно со снятой, просто я к тому узнать есть ли такое на С4 и все упрощается.
Хозяин гатово! что сделали? нет сломали.
-
Женя 1987
- Новичок

- Сообщений: 12
- Зарегистрирован: 20 янв 2019, 17:38
- Темы: 0
- Авто: C4 100 2.6 abc
- Имя: Женя
- Статус: Не в сети
Проблема с блоком управления центрального замка
Ясно спасибо
-
Zajacz
- Новичок

- Сообщений: 9
- Зарегистрирован: 01 ноя 2019, 10:54
- Темы: 0
- Авто: A6C4 2,6 QUATTRO
- VIN: wauzzz4azsn102971
- Имя: Антон
- Откуда: Могилёв
- Статус: Не в сети
Проблема с блоком управления центрального замка
Всем здрасте. К сожалению нет прав на новую тему,ну да ладно ,думаю добрые люди мне и здесь ответят. У меня случился пожар ( замкнуло акум) в итоге акум в утиль диван в ремонт и самое главное при выдёргивании акума случайно были оборваны два проводка с клемников на вакуумный насос ц.з. Может кто подскажет откуда они или сфотает свои клемники. Буду очень признателен. А за личное участие в Могилёве на этих выходных благодарность выражу пивасиком 

- Паша
- Аудивод

- Сообщений: 19175
- Зарегистрирован: 12 июн 2009, 17:59
- Темы: 221
- Авто: Yamaha Tenere 700 (2022)
- Имя: Павлентий
- Откуда: Минск
- Статус: Не в сети
Проблема с блоком управления центрального замка
Zajacz, про АКБ на А6 С4, стоящий под задним диваном на форуме много обсуждали. В двух словах - нужно ставить батарею правильной высоты и проблем не будет.
По разъёму нужна машина донор или в ELSA глянуть. Есть в Клубе С4 красотки, надеюсь увидим фото оригинального разъёма и его подключение.
Если нет, я смогу через пару дней схему в ELSA глянуть.
По разъёму нужна машина донор или в ELSA глянуть. Есть в Клубе С4 красотки, надеюсь увидим фото оригинального разъёма и его подключение.
Если нет, я смогу через пару дней схему в ELSA глянуть.
Audi A6 Avant C6 2.0TDi (BRF) 6МКПП 2006 205.000-423.000 км
Audi A6 Avant C7 2.0TDi (CGLC) 6МКПП 2014 114.000-200.000 км
- bono05
- Наездник

- Сообщений: 414
- Зарегистрирован: 11 авг 2014, 10:47
- Темы: 71
- Авто: A2 x 2 (дизель\бензин)
- Имя: Дмитрий
- Откуда: г.Борисов
- Статус: Не в сети
Проблема с блоком управления центрального замка
Паша писал(а):Источник цитаты нужно ставить батарею правильной высоты и проблем не будет
Там еще и крепление батареи стоит. Должно стоять
На нем есть специальная выемка куда ложится пруток сиденья, предотвращая его соприкосновение с клемами..Как правило у многих оно отсутствует тк. немного неудобно его ставить ...У меня стоял АКБ неправильный
и люди Очень
плотные сидели - проблем никогда не возникало.A2 2001 1.4 TDI AMF
A2 2001 1.4 AUA
A6 C4 1997 2,5TDI AEL 285т.км- 401т.км
A-100 1988 2.3 NF
A-100 1986 2.3 KZ
A-100 1985 2.3 HX
A2 2001 1.4 AUA
A-100 1986 2.3 KZ
A-100 1985 2.3 HX
-
Zajacz
- Новичок

- Сообщений: 9
- Зарегистрирован: 01 ноя 2019, 10:54
- Темы: 0
- Авто: A6C4 2,6 QUATTRO
- VIN: wauzzz4azsn102971
- Имя: Антон
- Откуда: Могилёв
- Статус: Не в сети
Проблема с блоком управления центрального замка
Спасибо за ответы. Про диваны АКБ и акумы правильной высоты я знаю ,но так вышло. А по поводу разъёмов я сейчас сфотаю они вроде оригинальные просто колпачки сняты.
Отправлено спустя 7 минуты 47 секунды:
Вот такие клемники
Отправлено спустя 46 минуты 7 секунды:
Люди помогите. В воскресенье вечером уезжаю. Без цз никак. Ключём машина не закрывается. Благо сейчас в гараже можно оставить.
Отправлено спустя 7 минуты 47 секунды:
Вот такие клемники
Отправлено спустя 46 минуты 7 секунды:
Люди помогите. В воскресенье вечером уезжаю. Без цз никак. Ключём машина не закрывается. Благо сейчас в гараже можно оставить.
- DIA
- Аццкий поломастер

- Сообщений: 9329
- Зарегистрирован: 27 июн 2009, 13:35
- Темы: 13
- Авто: Кузнечик корчваген. 1.9 TDI ALH.
- Имя: Игорь.
- Откуда: Минск.
- Статус: Не в сети
Проблема с блоком управления центрального замка
Zajacz писал(а):Источник цитаты Люди помогите.
Спасение утопающих дело рук самих утопающих, ищи донора или другие схемы не слушай сказочников в эльза на ваш год нихрена нет. Есть на ваши унитазы 1997 год но там все по другому скорее всего.
Отправлено спустя 15 минуты 40 секунды:
А лучше всего личинки сделайте.
Хозяин гатово! что сделали? нет сломали.
- Паша
- Аудивод

- Сообщений: 19175
- Зарегистрирован: 12 июн 2009, 17:59
- Темы: 221
- Авто: Yamaha Tenere 700 (2022)
- Имя: Павлентий
- Откуда: Минск
- Статус: Не в сети
Проблема с блоком управления центрального замка
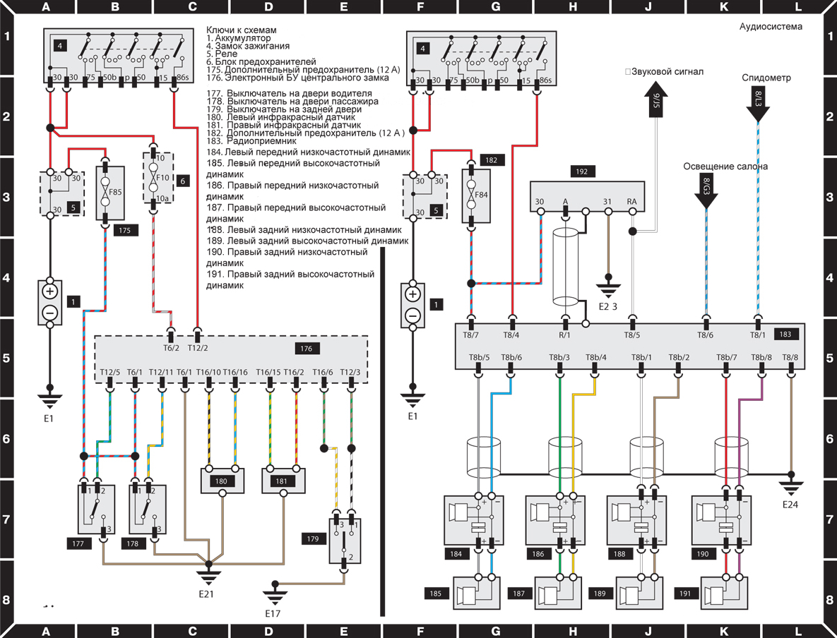
Zajacz, смотрите схему и с Вашими контактами на месте сравните:
По Вашим фото Вам нужен контакт 2 сторона Б. Зелено-синюю потеряшку вернуть обратно на пин 5 в разъём с 12-ю пинами.
По Вашим фото Вам нужен контакт 2 сторона Б. Зелено-синюю потеряшку вернуть обратно на пин 5 в разъём с 12-ю пинами.
Audi A6 Avant C6 2.0TDi (BRF) 6МКПП 2006 205.000-423.000 км
Audi A6 Avant C7 2.0TDi (CGLC) 6МКПП 2014 114.000-200.000 км
Вернуться в «Электрооборудование»
Кто сейчас на форуме
Количество пользователей, которые сейчас просматривают этот форум: нет зарегистрированных пользователей и 0 гостей