ДМРВ, напряжение питания?
-
mi_sutka
- Новичок

- Сообщений: 20
- Зарегистрирован: 24 апр 2011, 18:39
- Темы: 1
- Авто: audi A4(B5)1.6AHL 99г
- Имя:
- Откуда: Барановичи
- Статус: Не в сети
ДМРВ, напряжение питания?
Здравствуйте уважаемые, может кто подскажет вольтметром мерял напряжение питания дмрв 13,8 вольта, напряжение аккумулятора, читал, что вроде должно быть стабилизированое 12в,где можно посмотреть, или скажите какое должно быть. Машинка 1999года 1.6AHL...,уж больно прожорлива стала (ДМРВ Hitachi)
- DIA
- Аццкий поломастер

- Сообщений: 9329
- Зарегистрирован: 27 июн 2009, 13:35
- Темы: 13
- Авто: Кузнечик корчваген. 1.9 TDI ALH.
- Имя: Игорь.
- Откуда: Минск.
- Статус: Не в сети
ДМРВ, напряжение питания?
mi_sutka писал(а):Источник цитаты читал, что вроде должно быть стабилизированое 12в,где можно посмотреть
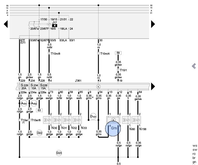
Так понял Luftmassenmesser на 4 контакта. Нет там никакого стабилизированного питание там прямой провод через реле, посмотреть на картинках.
Хозяин гатово! что сделали? нет сломали.
-
mi_sutka
- Новичок

- Сообщений: 20
- Зарегистрирован: 24 апр 2011, 18:39
- Темы: 1
- Авто: audi A4(B5)1.6AHL 99г
- Имя:
- Откуда: Барановичи
- Статус: Не в сети
ДМРВ, напряжение питания?
DIA, спасибо, что ткнули))) 

Вернуться в «Топливная система»
Кто сейчас на форуме
Количество пользователей, которые сейчас просматривают этот форум: нет зарегистрированных пользователей и 1 гость