Есть проблема - НУЖНА ПОМОЩЬ - ГОРЯЧИЙ СТАРТ
-
grisha-coupe
- Новичок

- Сообщений: 6
- Зарегистрирован: 09 фев 2011, 01:16
- Темы: 0
- Авто: Audi Cabriolet 1997 1.8 20V (ADR)
- Имя:
- Статус: Не в сети
Есть проблема - НУЖНА ПОМОЩЬ - ГОРЯЧИЙ СТАРТ
ACO 2.6 ABC Автомат
Есть косяк — и нету мыслей по решению. Проблема такова: НА ГОРЯЧУЮ АВТО С КЛЮЧА ОТКАЗЫВАЕТСЯ ЗАВОДИТЬСЯ?! как остывает заводится — на холодную заводится всегда!
Мои дейсвтия: проверка контактной группы замка(исправно), стартер (в порядке), проводка от стартера до аккума (исправна) — хотя после того как ее я снял и прозвонил, потом вернул на место — 2 недели заводилась без проблем — затем снова по нарастающей. проблему временно решил протянув провод от сигнала на стартере и замыкаю на + к аккумулятору (да бы не колхозить, не ставить кнопку в салоне — так как я перфекционист), от так и тыкаю на горячую каждый раз — я человек спокойный но порой начинает бесить… ЧТО С НЕЙ?! — ВОТ В ЧЕМ ВОПРОС…
Я не доверяю всяким СТО и неизвестным матерам, поэтому стараюсь все делать самомтоятельно…
Элементы уравнения: машина на автомате, в ней по заводу стоит противоугонка VOTEX брелком (перед заводкой нужно тыкать в нужное место и заводить после сигнала), + бывший владелец боясь автоворов тыривших 2 раза магнитолу из нее, установил сигнализацию (весьма простую и дешевую (я ей не пользуюсь, ревун я удалил а сигналка все еще в машине), не пользуюсь так-как стоит радио ЦЗ от VOTEX. Стартер возил к спецам ( он в шеколаде)…
И в заключении — я не электрик, но у меня разные предположения, возможно реле, возможно проводка, возможно противоугонка с сигналкой копеечной… НО ВОТ ЗНАТЬ БЫ НАВЕРНЯКА… БЫЛИ БЫ ЭЛЕКТРОСХЕМЫ ЧЕТКИЕ…
PS: Знание воистину сила!
Есть косяк — и нету мыслей по решению. Проблема такова: НА ГОРЯЧУЮ АВТО С КЛЮЧА ОТКАЗЫВАЕТСЯ ЗАВОДИТЬСЯ?! как остывает заводится — на холодную заводится всегда!
Мои дейсвтия: проверка контактной группы замка(исправно), стартер (в порядке), проводка от стартера до аккума (исправна) — хотя после того как ее я снял и прозвонил, потом вернул на место — 2 недели заводилась без проблем — затем снова по нарастающей. проблему временно решил протянув провод от сигнала на стартере и замыкаю на + к аккумулятору (да бы не колхозить, не ставить кнопку в салоне — так как я перфекционист), от так и тыкаю на горячую каждый раз — я человек спокойный но порой начинает бесить… ЧТО С НЕЙ?! — ВОТ В ЧЕМ ВОПРОС…
Я не доверяю всяким СТО и неизвестным матерам, поэтому стараюсь все делать самомтоятельно…
Элементы уравнения: машина на автомате, в ней по заводу стоит противоугонка VOTEX брелком (перед заводкой нужно тыкать в нужное место и заводить после сигнала), + бывший владелец боясь автоворов тыривших 2 раза магнитолу из нее, установил сигнализацию (весьма простую и дешевую (я ей не пользуюсь, ревун я удалил а сигналка все еще в машине), не пользуюсь так-как стоит радио ЦЗ от VOTEX. Стартер возил к спецам ( он в шеколаде)…
И в заключении — я не электрик, но у меня разные предположения, возможно реле, возможно проводка, возможно противоугонка с сигналкой копеечной… НО ВОТ ЗНАТЬ БЫ НАВЕРНЯКА… БЫЛИ БЫ ЭЛЕКТРОСХЕМЫ ЧЕТКИЕ…
PS: Знание воистину сила!
- hrak
- Специалист

- Сообщений: 2423
- Зарегистрирован: 13 июл 2009, 10:07
- Темы: 119
- Авто: Ford
- VIN: vin
- Имя: karh
- Статус: Не в сети
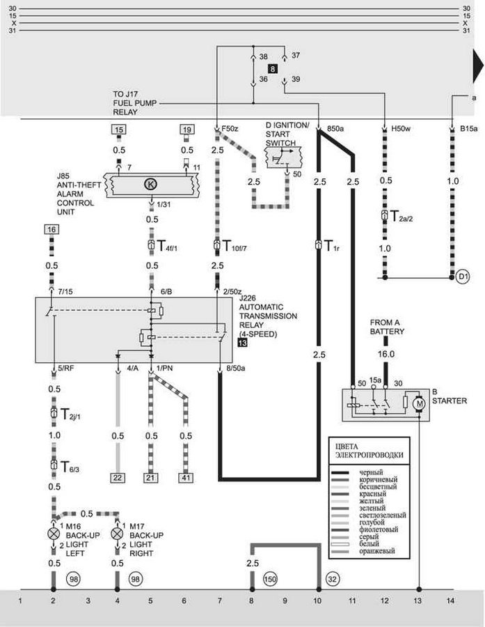
Коллега grisha-coupe, знание - конечно же сила, но по интернету сложно решить вопрос с высокой достоверностью. Я бы на вашем месте вооружился тестером, и от клеммы стартера "50" начал бы выстраивание логической цепочки: если на горячую есть +12В на кл."50" стартера, но стартер тем не менее не крутится, то учитывая
можно приговорить втягивающее реле стартера.
А вот уже если на кл."50" напряжения +12В нет - то тогда надо искать по самой проводке, где оно исчезает. И координаты поиска кардинально меняются, так как поиск следует начинать с клеммы "50" замка зажигания.
Один раз, ко мне был приехал "Фольксваген-Гольф-2" на АКПП с похожей проблемой - на горячую дизель не заводился по причине неработающего стартера. Причина оказалась в дефекте блока реле и предохранителей - если машина с АКПП, то всегда есть блокировка стартера, чтобы стартер срабатывал лишь в положениях селектора АКПП "P" , "N". На этом "Гольфе" была окислевшаяся клеммочка от концевика селектора АКПП до самого блока реле и предохранителей.
Ниже, я поделюсь с вами схемой, шо у меня имеется по Ауди-Купе-Б3. Как видим, и здесь в Вашем случае есть и реле блокировки (смотрим контакт "50" стартера, и куда он "уходит"), и куча переходных клемм. Заодно, увидите есть ли блокировка на стартер от сигнализаций - хоть на практике я чаще встречал, когда реле сигнализации блочит бензонасос. А дилерские сигнализации блочили низковольтную часть системы зажигания (но однако я не ручаюсь за все установленные сигнализации).
С новым годом вас!
grisha-coupe писал(а):Стартер возил к спецам ( он в шеколаде)…
можно приговорить втягивающее реле стартера.
А вот уже если на кл."50" напряжения +12В нет - то тогда надо искать по самой проводке, где оно исчезает. И координаты поиска кардинально меняются, так как поиск следует начинать с клеммы "50" замка зажигания.
Один раз, ко мне был приехал "Фольксваген-Гольф-2" на АКПП с похожей проблемой - на горячую дизель не заводился по причине неработающего стартера. Причина оказалась в дефекте блока реле и предохранителей - если машина с АКПП, то всегда есть блокировка стартера, чтобы стартер срабатывал лишь в положениях селектора АКПП "P" , "N". На этом "Гольфе" была окислевшаяся клеммочка от концевика селектора АКПП до самого блока реле и предохранителей.
Ниже, я поделюсь с вами схемой, шо у меня имеется по Ауди-Купе-Б3. Как видим, и здесь в Вашем случае есть и реле блокировки (смотрим контакт "50" стартера, и куда он "уходит"), и куча переходных клемм. Заодно, увидите есть ли блокировка на стартер от сигнализаций - хоть на практике я чаще встречал, когда реле сигнализации блочит бензонасос. А дилерские сигнализации блочили низковольтную часть системы зажигания (но однако я не ручаюсь за все установленные сигнализации).

С новым годом вас!

Audi-90 KV 2.2i
Audi A6 C4 AEL 2.5TDi
Audi V8 PT 3.6i
Были, а теперь я фордовод.
Audi A6 C4 AEL 2.5TDi
Audi V8 PT 3.6i
Были, а теперь я фордовод.
-
grisha-coupe
- Новичок

- Сообщений: 6
- Зарегистрирован: 09 фев 2011, 01:16
- Темы: 0
- Авто: Audi Cabriolet 1997 1.8 20V (ADR)
- Имя:
- Статус: Не в сети
-
maksevrodim
- Новичок

- Сообщений: 3
- Зарегистрирован: 03 июл 2011, 18:15
- Темы: 0
- Авто: A6Q 2,5TDi AE
- VIN: 100500
- Имя:
- Статус: Не в сети
- k2name
- Новый пользователь
- Сообщений: 1
- Зарегистрирован: 09 сен 2012, 19:57
- Темы: 0
- Авто: audi 80 b4
- Имя:
- Статус: Не в сети
Добрый день.
К сожалению нет 5 сообщений, а заниматься флудом нет желания. Поэтому пишу здесь.
Audi 80 B4, 1993, 2.0 Бензин, механика.
Всегда при старте на горячую - троит. Т.е. подъехал к магазину, сбегал на минуту и все. Троит.
Заметил следующую особенность. Бывает при езде начинает громко щелкать слева под приборной панелью. Если заглушить и завести - стабильно троит.
При старте на холодную - обычно все нормально. Но бывает что и сразу начинает троить, если с первой попытки не завелся. Так же бывает что при повороте ключа в первое положение - раздается щелканье. Бывает что оно не прекращается пока несколько раз ключем не поиграешься. Звук похож на щелчки реле. Как буд-то реле глючит и постоянно переключается.
Ездил к ремонтнику. Подключили компьютер. Ошибок по двигателю нет, хотя в момент теста он троил и СО было в районе 6,8.
Проверяли все провода, давление топливного насоса, подкидывали датчик воздушного потока. Свечи черные с сильным нагаром, но при нормальной работе дыма не видно из трубы и СО падает до 0,55-0,6. Техосмотр прошел месяца полтора назад сам.
Менял перед ТО масло, тормозную, тосол, все фильтра, тормозные диски и колодки.
p.s. перед возникновением этой беды сбоило втягивающее на стартере. м.б. это как-то взаимосвязано? Но со стартером ничего не делал. Дожди закончились и он нормально заработал. Я начинающий водитель (1 год), и эта машина у меня вторая.
К сожалению нет 5 сообщений, а заниматься флудом нет желания. Поэтому пишу здесь.
Audi 80 B4, 1993, 2.0 Бензин, механика.
Всегда при старте на горячую - троит. Т.е. подъехал к магазину, сбегал на минуту и все. Троит.
Заметил следующую особенность. Бывает при езде начинает громко щелкать слева под приборной панелью. Если заглушить и завести - стабильно троит.
При старте на холодную - обычно все нормально. Но бывает что и сразу начинает троить, если с первой попытки не завелся. Так же бывает что при повороте ключа в первое положение - раздается щелканье. Бывает что оно не прекращается пока несколько раз ключем не поиграешься. Звук похож на щелчки реле. Как буд-то реле глючит и постоянно переключается.
Ездил к ремонтнику. Подключили компьютер. Ошибок по двигателю нет, хотя в момент теста он троил и СО было в районе 6,8.
Проверяли все провода, давление топливного насоса, подкидывали датчик воздушного потока. Свечи черные с сильным нагаром, но при нормальной работе дыма не видно из трубы и СО падает до 0,55-0,6. Техосмотр прошел месяца полтора назад сам.
Менял перед ТО масло, тормозную, тосол, все фильтра, тормозные диски и колодки.
p.s. перед возникновением этой беды сбоило втягивающее на стартере. м.б. это как-то взаимосвязано? Но со стартером ничего не делал. Дожди закончились и он нормально заработал. Я начинающий водитель (1 год), и эта машина у меня вторая.
-
Alexs 007
- Новичок

- Сообщений: 12
- Зарегистрирован: 03 дек 2016, 19:04
- Темы: 0
- Авто: Audi 80
- VIN: b3
- Имя: fff
- Статус: Не в сети
Есть проблема - НУЖНА ПОМОЩЬ - ГОРЯЧИЙ СТАРТ
Здравствуйте, подскажите что может быть, неработает стеклоомыватель, подсаеденяю на прямую всё работает, релле новое, подскажите что может быть?
- alexstr81
- Авторитет

- Сообщений: 4738
- Зарегистрирован: 30 авг 2010, 18:58
- Темы: 0
- Авто: А6 С6 (4f) 2.0 tdi BRF
- VIN: WAUZZZ4F76N189674
- Имя: Алекс
- Откуда: Гомель
- Статус: Не в сети
Есть проблема - НУЖНА ПОМОЩЬ - ГОРЯЧИЙ СТАРТ
Alexs 007, предохранитель?
Сердце просит любви. Душа просит покоя . Тело просит разврата. Никому ничего не даю. Все сидят злые.
-
Alexs 007
- Новичок

- Сообщений: 12
- Зарегистрирован: 03 дек 2016, 19:04
- Темы: 0
- Авто: Audi 80
- VIN: b3
- Имя: fff
- Статус: Не в сети
Есть проблема - НУЖНА ПОМОЩЬ - ГОРЯЧИЙ СТАРТ
Целый
Отправлено спустя 16 минуты 40 секунды:
alexstr81, целый
Отправлено спустя 16 минуты 40 секунды:
alexstr81, целый
- alexstr81
- Авторитет

- Сообщений: 4738
- Зарегистрирован: 30 авг 2010, 18:58
- Темы: 0
- Авто: А6 С6 (4f) 2.0 tdi BRF
- VIN: WAUZZZ4F76N189674
- Имя: Алекс
- Откуда: Гомель
- Статус: Не в сети
Есть проблема - НУЖНА ПОМОЩЬ - ГОРЯЧИЙ СТАРТ
"звонить" проводку
Сердце просит любви. Душа просит покоя . Тело просит разврата. Никому ничего не даю. Все сидят злые.
- Паша
- Аудивод

- Сообщений: 19175
- Зарегистрирован: 12 июн 2009, 17:59
- Темы: 221
- Авто: Yamaha Tenere 700 (2022)
- Имя: Павлентий
- Откуда: Минск
- Статус: Не в сети
Есть проблема - НУЖНА ПОМОЩЬ - ГОРЯЧИЙ СТАРТ
Alexs 007, может в стрекозе глючит контакт?
Audi A6 Avant C6 2.0TDi (BRF) 6МКПП 2006 205.000-423.000 км
Audi A6 Avant C7 2.0TDi (CGLC) 6МКПП 2014 114.000-200.000 км
-
Alexs 007
- Новичок

- Сообщений: 12
- Зарегистрирован: 03 дек 2016, 19:04
- Темы: 0
- Авто: Audi 80
- VIN: b3
- Имя: fff
- Статус: Не в сети
Есть проблема - НУЖНА ПОМОЩЬ - ГОРЯЧИЙ СТАРТ
Паша, нужно менять стрекозу или поченить можно?
- Паша
- Аудивод

- Сообщений: 19175
- Зарегистрирован: 12 июн 2009, 17:59
- Темы: 221
- Авто: Yamaha Tenere 700 (2022)
- Имя: Павлентий
- Откуда: Минск
- Статус: Не в сети
Есть проблема - НУЖНА ПОМОЩЬ - ГОРЯЧИЙ СТАРТ
Писал кто-то что разбирал стрекозу и ремонтировал переключатель ближний-дальний. Снимите свою, осмотрите ее, подайте сигнал вручную на насос, чтобы исключить ее.
Audi A6 Avant C6 2.0TDi (BRF) 6МКПП 2006 205.000-423.000 км
Audi A6 Avant C7 2.0TDi (CGLC) 6МКПП 2014 114.000-200.000 км
-
Alexs 007
- Новичок

- Сообщений: 12
- Зарегистрирован: 03 дек 2016, 19:04
- Темы: 0
- Авто: Audi 80
- VIN: b3
- Имя: fff
- Статус: Не в сети
Есть проблема - НУЖНА ПОМОЩЬ - ГОРЯЧИЙ СТАРТ
Здравствуйте, кто может подсказать как снять штатные ПТФ Ауди 80 б3 1988г
-
salova
- Новичок

- Сообщений: 41
- Зарегистрирован: 12 янв 2015, 22:35
- Темы: 2
- Авто: A4 (B6q) 1,8T AMB 5AKПП
- Имя: Александр
- Откуда: Минск
- Статус: Не в сети
Есть проблема - НУЖНА ПОМОЩЬ - ГОРЯЧИЙ СТАРТ
Alexs 007, Снять бампер, открутить саморезы фигурной отвёрткой на каждой ПТФ
-
Alexs 007
- Новичок

- Сообщений: 12
- Зарегистрирован: 03 дек 2016, 19:04
- Темы: 0
- Авто: Audi 80
- VIN: b3
- Имя: fff
- Статус: Не в сети
Есть проблема - НУЖНА ПОМОЩЬ - ГОРЯЧИЙ СТАРТ
salova, спасибо
-
Alexs 007
- Новичок

- Сообщений: 12
- Зарегистрирован: 03 дек 2016, 19:04
- Темы: 0
- Авто: Audi 80
- VIN: b3
- Имя: fff
- Статус: Не в сети
Есть проблема - НУЖНА ПОМОЩЬ - ГОРЯЧИЙ СТАРТ
Здравствуйте, кто подскажет в птф какие лампочки стоят?h3 или h1
- Паша
- Аудивод

- Сообщений: 19175
- Зарегистрирован: 12 июн 2009, 17:59
- Темы: 221
- Авто: Yamaha Tenere 700 (2022)
- Имя: Павлентий
- Откуда: Минск
- Статус: Не в сети
Есть проблема - НУЖНА ПОМОЩЬ - ГОРЯЧИЙ СТАРТ
Alexs 007, Вам рекомендую обзавестись руководством по эксплуатации на авто. У нас на форуме они все есть (viewtopic.php?f=9&t=69). В нем найдете ответы на все простые вопросы.
Audi A6 Avant C6 2.0TDi (BRF) 6МКПП 2006 205.000-423.000 км
Audi A6 Avant C7 2.0TDi (CGLC) 6МКПП 2014 114.000-200.000 км
- Сашок87
- Новый пользователь
- Сообщений: 1
- Зарегистрирован: 12 фев 2017, 11:49
- Темы: 0
- Авто: ауди80 92г 2.0б АВТ универсал
- Имя: сан
- Статус: Не в сети
Есть проблема - НУЖНА ПОМОЩЬ - ГОРЯЧИЙ СТАРТ
Здравствуйте. Может кто поможет? ауди 80 2.0б АВТ, 92г, инжектор, с утра ели завёл, а потом не держит обороты и толи подтраивает или что, но факт в том, что скорость набирает норм но звук появляется когда в газ жмёшь как будто пердит! Подскажите на что надо обратить внимание????????? или подскажите хорошего спеца в бресте к каму можно обратиться??????? 

- Юра 80
- Аудивод

- Сообщений: 20894
- Зарегистрирован: 12 июн 2009, 19:41
- Темы: 423
- Имя:
- Статус: Не в сети
Есть проблема - НУЖНА ПОМОЩЬ - ГОРЯЧИЙ СТАРТ
СО для начала б измерить.
Вернуться в «Электрооборудование»
Кто сейчас на форуме
Количество пользователей, которые сейчас просматривают этот форум: нет зарегистрированных пользователей и 0 гостей