Замена генератора Audi A6 (C5) 2,5 TDI AKN?
-
Maxim Chepukov
- Любитель

- Сообщений: 166
- Зарегистрирован: 24 окт 2010, 21:15
- Темы: 0
- Авто: нет
- Имя: Панда
- Статус: Не в сети
Замена генератора Audi A6 (C5) 2,5 TDI AKN?
Доброго вечера всем!
При очередной еженедельной поездке Миснк - Брест столкнулся с проблемой - перестал работать генератор!
Как результат фото ниже, решил не гнать на СТО, да и собственно там где был некуда.
Если кто сталкивался, как открутить муфту вентилятора, так как уж очень туго она там сидит? резьба там точно левая или все же нет?
Натяжной ролик ремня генератора где он находится и как он выглядит, я так полагаю он под защитой, которую что бы снять нужно открутить муфту?
При очередной еженедельной поездке Миснк - Брест столкнулся с проблемой - перестал работать генератор!
Как результат фото ниже, решил не гнать на СТО, да и собственно там где был некуда.
Если кто сталкивался, как открутить муфту вентилятора, так как уж очень туго она там сидит? резьба там точно левая или все же нет?
Натяжной ролик ремня генератора где он находится и как он выглядит, я так полагаю он под защитой, которую что бы снять нужно открутить муфту?
- Игорь
- Аудивод

- Сообщений: 14726
- Зарегистрирован: 12 июн 2009, 19:01
- Темы: 146
- Авто: A6Q 2,5TDi
- Имя: Игорь
- Откуда: Минск-Лань
- Контактная информация:
- Статус: Не в сети
Maxim Chepukov, я только что посмотрел свою Visco-муфту - там правая резьба. Глянул в ETKA - узлы очень походжи. Так что крути.
A6Q C4 2,5TDi 448,6 тыс. км. проехала при мне и уехала в г. Мосты. Quattro грязи не боится!
"Жизнь – бревно, Смерть – опилки, Бог – хозяин лесопилки. Я – вон тот жучок в углу, зря полезший под пилу". © Беня
"Жизнь – бревно, Смерть – опилки, Бог – хозяин лесопилки. Я – вон тот жучок в углу, зря полезший под пилу". © Беня
-
Maxim Chepukov
- Любитель

- Сообщений: 166
- Зарегистрирован: 24 окт 2010, 21:15
- Темы: 0
- Авто: нет
- Имя: Панда
- Статус: Не в сети
-
Maxim Chepukov
- Любитель

- Сообщений: 166
- Зарегистрирован: 24 окт 2010, 21:15
- Темы: 0
- Авто: нет
- Имя: Панда
- Статус: Не в сети
-
Maxim Chepukov
- Любитель

- Сообщений: 166
- Зарегистрирован: 24 окт 2010, 21:15
- Темы: 0
- Авто: нет
- Имя: Панда
- Статус: Не в сети
- Игорь
- Аудивод

- Сообщений: 14726
- Зарегистрирован: 12 июн 2009, 19:01
- Темы: 146
- Авто: A6Q 2,5TDi
- Имя: Игорь
- Откуда: Минск-Лань
- Контактная информация:
- Статус: Не в сети
А зачем?Maxim Chepukov писал(а):... где можно достать схему регулятора напряжения
Maxim Chepukov, неужели вы собираетесь его разобрать, чтобы найти неиправную радиодеталь?
И как разбирать думаете?A6Q C4 2,5TDi 448,6 тыс. км. проехала при мне и уехала в г. Мосты. Quattro грязи не боится!
"Жизнь – бревно, Смерть – опилки, Бог – хозяин лесопилки. Я – вон тот жучок в углу, зря полезший под пилу". © Беня
"Жизнь – бревно, Смерть – опилки, Бог – хозяин лесопилки. Я – вон тот жучок в углу, зря полезший под пилу". © Беня
-
max1m_a
- Новичок

- Сообщений: 17
- Зарегистрирован: 28 ноя 2011, 19:18
- Темы: 0
- Авто: Audi A6 2000 2,4 AML
- Имя:
- Статус: Не в сети
добрый вечер
не понял как тему создавать, поэтому отписал в более подходящую
Машина все выходные простояла в гараже, с утра пришел заводить и горит на приборке аккумулятор, сначала подумал аккумулятор умер тк он еще родной стоит на 85А и не разу не менялся, поставил с другой машины на 65А, лампочка гореть не перестала, в итоге снял генератор, отдал ремонтникам, те сказали что генератор работает без проблем и выдает 14В, на всякий поставили новые щетки. Поставил генератор на место, собрал машину, завел и красная лампа аккума погасла, в итоге машина работала без проблем, аккумулятор стоял на 65А, решил ставить родной на 85, он был севший уже, но когда поставил - то машина завелась без проблем, напряжение 10В на приборке было, но опять горела ласпочка аккумулятора, думал из-за того что он севший, поработав мин 5 на этом аккумуляторе напряжение упало почти до 8, решил не эксперементировать больше и поставить обратно на 65А, когда поставил на 65 напряжение было чуть выше 12, но лампочка все равно горит, и при включении фар, печки, музыки и прочего - стрелка падала, в итоге он часа не поработал и машина можно сказать заглохла.
В чем может быть проблема? Ведь когда на 65Амперном все собрал и завел проблем не было, пока не поставил обратно на 85А, кто-нибудь сталкивался с такой ситуацией, получается аккумулятор рабочий, тк он стоит у меня на ниссане и все путем, а генератор я снимал и отдавал электрикам, там тоже проблем нет.
Машина Audi A6C5 2.4 двиг AML
не понял как тему создавать, поэтому отписал в более подходящую
Машина все выходные простояла в гараже, с утра пришел заводить и горит на приборке аккумулятор, сначала подумал аккумулятор умер тк он еще родной стоит на 85А и не разу не менялся, поставил с другой машины на 65А, лампочка гореть не перестала, в итоге снял генератор, отдал ремонтникам, те сказали что генератор работает без проблем и выдает 14В, на всякий поставили новые щетки. Поставил генератор на место, собрал машину, завел и красная лампа аккума погасла, в итоге машина работала без проблем, аккумулятор стоял на 65А, решил ставить родной на 85, он был севший уже, но когда поставил - то машина завелась без проблем, напряжение 10В на приборке было, но опять горела ласпочка аккумулятора, думал из-за того что он севший, поработав мин 5 на этом аккумуляторе напряжение упало почти до 8, решил не эксперементировать больше и поставить обратно на 65А, когда поставил на 65 напряжение было чуть выше 12, но лампочка все равно горит, и при включении фар, печки, музыки и прочего - стрелка падала, в итоге он часа не поработал и машина можно сказать заглохла.
В чем может быть проблема? Ведь когда на 65Амперном все собрал и завел проблем не было, пока не поставил обратно на 85А, кто-нибудь сталкивался с такой ситуацией, получается аккумулятор рабочий, тк он стоит у меня на ниссане и все путем, а генератор я снимал и отдавал электрикам, там тоже проблем нет.
Машина Audi A6C5 2.4 двиг AML
- hrak
- Специалист

- Сообщений: 2423
- Зарегистрирован: 13 июл 2009, 10:07
- Темы: 119
- Авто: Ford
- VIN: vin
- Имя: karh
- Статус: Не в сети
Коллега max1m_a, вы уж извините, что начну с лекции, а не сразу, 2-3 слова с совета...э-э-э, чтобы в неподвижной обмотке генератора (в статоре) появилось электричество, необходимо в обмотку генератора, которая вращается (то есть, в ротор) подать тоже электричество. На вращающийся ротор электроток поступает через щетки.
Как только мы запустили с вами двигатель, ток на щетки поступает по цепи: от лампочки на щитке приборов на контакт генератора "+D". (Провод цвета blue). Напряжения аккумуляторой батареи в таком случае достаточно, чтобы "стартануть" процесс электромагнитного возбуждения в генераторе. А далее, буквально через несколько милисекунд после старта двигателя, управляет напряжением ротора специальный регулятор напряжения, прозванный в народе не то "таблеткой", не то "шоколадкой".
Получается, коллега, что работа генератора на 100% зависит от исправности "шоколадки". Судя по вашему месседжу, специалистами-электриками лишь была произведена замена щеток. Откуда резонно возникает 2 вопроса: 1 - почему щетки заменили "на всякий"? Щетки вхожи в единую конструкцию с "шоколадкой". Не проще ли было заменить новый регулятор в сборе с новыми щетками? 2 - Была ли вам специалистами-электриками дана просьба проверить электропроводку вашей Ауди на предмет проверки тока утечки?
Старый аккумулятор, неплохо бы проверить ареометром, и сравнить плотность электролита в банках со стандартной для нашей климатической зоны величиной 1.26 - 1.27 Только, э-э-э, плотность надо проверять на аккумуляторе, находящемся в помещении с темп. +20 град.
Как только мы запустили с вами двигатель, ток на щетки поступает по цепи: от лампочки на щитке приборов на контакт генератора "+D". (Провод цвета blue). Напряжения аккумуляторой батареи в таком случае достаточно, чтобы "стартануть" процесс электромагнитного возбуждения в генераторе. А далее, буквально через несколько милисекунд после старта двигателя, управляет напряжением ротора специальный регулятор напряжения, прозванный в народе не то "таблеткой", не то "шоколадкой".
Получается, коллега, что работа генератора на 100% зависит от исправности "шоколадки". Судя по вашему месседжу, специалистами-электриками лишь была произведена замена щеток. Откуда резонно возникает 2 вопроса: 1 - почему щетки заменили "на всякий"? Щетки вхожи в единую конструкцию с "шоколадкой". Не проще ли было заменить новый регулятор в сборе с новыми щетками? 2 - Была ли вам специалистами-электриками дана просьба проверить электропроводку вашей Ауди на предмет проверки тока утечки?
Старый аккумулятор, неплохо бы проверить ареометром, и сравнить плотность электролита в банках со стандартной для нашей климатической зоны величиной 1.26 - 1.27 Только, э-э-э, плотность надо проверять на аккумуляторе, находящемся в помещении с темп. +20 град.
Audi-90 KV 2.2i
Audi A6 C4 AEL 2.5TDi
Audi V8 PT 3.6i
Были, а теперь я фордовод.
Audi A6 C4 AEL 2.5TDi
Audi V8 PT 3.6i
Были, а теперь я фордовод.
-
max1m_a
- Новичок

- Сообщений: 17
- Зарегистрирован: 28 ноя 2011, 19:18
- Темы: 0
- Авто: Audi A6 2000 2,4 AML
- Имя:
- Статус: Не в сети
hrak спасибо за разъяснение, я думал этот провод идущий от приборки на генератор показывает только красную лампу аккумулятора на приборке, про электромагнитное возбуждение даже в голове не было. Это получается если этот провод оборвался, то какой-бы генератор и аккумулятор рабочими не были - заряд от генератора к аккуму идти не будет?
А по поводу проводки сам виноват, я посмотрел что мощный провод идущий от генератора на стартер (+) целый и такому сделаться как-бы ничего не может, естественно такой-же провод идет и от стартера к аккумулятору если ничего не путаю, получается если бы был обрыв от стартера к аккумулятору, то стартер вообще бы не проворачивался, а если идет утечка тока в этой проводке и к аккумулятору идет не 14В, а меньше - аккумулятор садился бы, но не так быстро как в моем случае менее чем за час.
На следующих выходных буду проверять всю проводку и генератор отдам другим специалистам, но грешу теперь на провод который от приборки на генератор, а вообще может быть чтобы регулятор напряжения в генераторе то работал, то нет?
Старый аккумулятор поставил на зарядку, только он не обслуживаемый, поэтому плотность замерить не могу, аккумулятор оказывается на 100A - BAREN 100Ah 850A, он грязный весь был и из всех надписей я видел только цифру 85, вот и подумал)
А по поводу проводки сам виноват, я посмотрел что мощный провод идущий от генератора на стартер (+) целый и такому сделаться как-бы ничего не может, естественно такой-же провод идет и от стартера к аккумулятору если ничего не путаю, получается если бы был обрыв от стартера к аккумулятору, то стартер вообще бы не проворачивался, а если идет утечка тока в этой проводке и к аккумулятору идет не 14В, а меньше - аккумулятор садился бы, но не так быстро как в моем случае менее чем за час.
На следующих выходных буду проверять всю проводку и генератор отдам другим специалистам, но грешу теперь на провод который от приборки на генератор, а вообще может быть чтобы регулятор напряжения в генераторе то работал, то нет?
Старый аккумулятор поставил на зарядку, только он не обслуживаемый, поэтому плотность замерить не могу, аккумулятор оказывается на 100A - BAREN 100Ah 850A, он грязный весь был и из всех надписей я видел только цифру 85, вот и подумал)
- hrak
- Специалист

- Сообщений: 2423
- Зарегистрирован: 13 июл 2009, 10:07
- Темы: 119
- Авто: Ford
- VIN: vin
- Имя: karh
- Статус: Не в сети
max1m_a писал(а):hrak спасибо за разъяснение
Коллега max1m_a,
Если голубой провод в обрыве, то зарядки не будет.
Регулятор напряжения - это, фактически, электронный блок с полупроводниками, и поэтому он действительно может то работать, то не работать.
Необслуживаемый аккумулятор - не совсем гут, коллега...
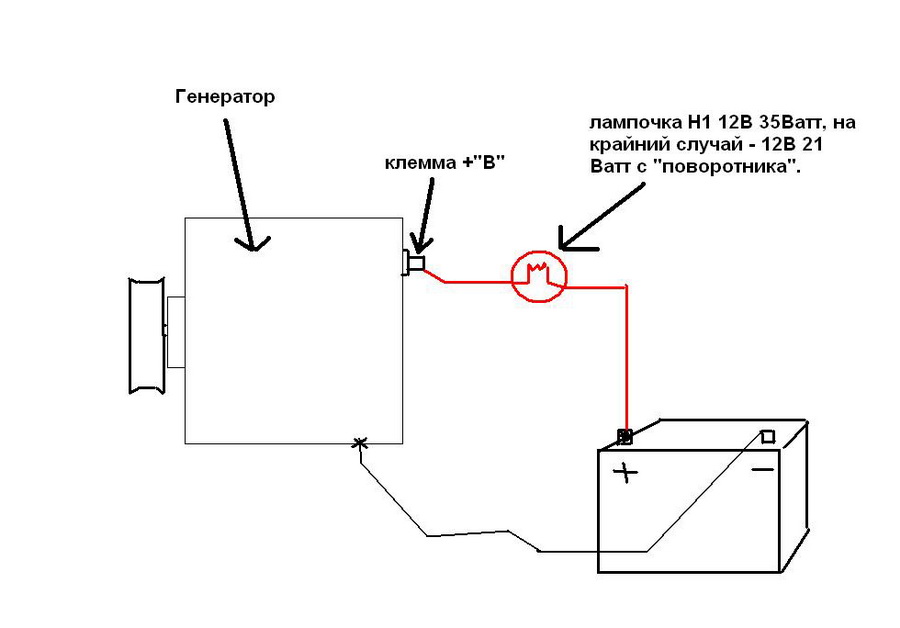
Если, правда, вы не заметили нечаянно вверху батареи плоскую общую крышку для всех 6 банок. (Как полоска из пластмассы).По поводу тока утечки - может в вашем случае произошел пробой или помехозащитного конденсатора, или диодного моста (вентили генератора по прозвищу "подкова" ). Последний любит выходить из строя, если установлен мощный усилитель в багажнике.
Ниже я вам нарисовал небольшую схемку, как вы самостаятельно можете проверить исправность диодов генератора: лампочка при таком подключении не должна вообще гореть. Так как свечение укажет или на утечку в диодах, или же на пробитый помехозащитный конденсатор (обычно, небольшой черный квадратик с проводком сзади на корпусе генератора).
Audi-90 KV 2.2i
Audi A6 C4 AEL 2.5TDi
Audi V8 PT 3.6i
Были, а теперь я фордовод.
Audi A6 C4 AEL 2.5TDi
Audi V8 PT 3.6i
Были, а теперь я фордовод.
-
max1m_a
- Новичок

- Сообщений: 17
- Зарегистрирован: 28 ноя 2011, 19:18
- Темы: 0
- Авто: Audi A6 2000 2,4 AML
- Имя:
- Статус: Не в сети
hrak писал(а):max1m_a писал(а):а вот на рисунке "клемма +В" - это куда идет синий провод от приборки?
Нет,
"+В" = "+batarey" - это тА клемма, которая соединяется с аккумулятором.
понял, это где тот мощный провод
, буду проверять и надеюсь сделаю все на следующих выходных, думаю еще будут вопросы, никогда не имел дел с генератором и электрикой- hrak
- Специалист

- Сообщений: 2423
- Зарегистрирован: 13 июл 2009, 10:07
- Темы: 119
- Авто: Ford
- VIN: vin
- Имя: karh
- Статус: Не в сети
max1m_a писал(а):буду проверять и надеюсь сделаю все на следующих выходных
Помните о технике безопасности при работе с электрооборудованием.
И при проверке диодов генератора лампочкой (как на рисунке выше) провод с генератора, который "уходит" на аккумулятор со стартером, необходимо разъединить.
Audi-90 KV 2.2i
Audi A6 C4 AEL 2.5TDi
Audi V8 PT 3.6i
Были, а теперь я фордовод.
Audi A6 C4 AEL 2.5TDi
Audi V8 PT 3.6i
Были, а теперь я фордовод.
-
max1m_a
- Новичок

- Сообщений: 17
- Зарегистрирован: 28 ноя 2011, 19:18
- Темы: 0
- Авто: Audi A6 2000 2,4 AML
- Имя:
- Статус: Не в сети
Проблема решена, все обошлось заменой якоря в генераторе, только я еще что-то натворил, когда поставил генератор, решил завести и проверить погаснет лампа аккумулятора или нет, волюметр подсоединил как положено с гофрой и воздуханом, ремень накинул, но радиатор ставить было лень и присоединять к нему трубки которые для охлаждения коробки т.к. они впресовываются тяжело (сглупил конечно, всегда делал как положено, достало просто этот генератор мусолить туда-сюда), а что-бы масло из этих трубок не давило я в них заглушки вставил, и завел так машину раз 5, машина работала максимум 3-4 секунды и глушил - работала исправно, а на 5ый раз появилась вибрация, лампочка аккумулятора гасла после старта как положено. После этого собрал всю машину, и тут ее заводить, а тут облом, она не заводится, стартер крутит, искра есть, а в чем проблема понять не могу, компа под рукой не было, завтра сделаю диагностику, могло что-нибудь случиться из-за этих заглушек в масляных трубках от коробки, как бы циркуляции масла получается в коробке не было из-за этого, но не думал что от 5и заводов такое случится, и в этом ли проблема?
Вернуться в «Электрооборудование»
Кто сейчас на форуме
Количество пользователей, которые сейчас просматривают этот форум: нет зарегистрированных пользователей и 0 гостей

за схему отдельное вам спасибо, а вот на рисунке "клемма +В" - это куда идет синий провод от приборки?